电话:021-62522001
作者:黑金钢电容 发布时间:2020-08-04 11:28:33 访问量:8886 来源:NCC电容
黑金刚电容螺丝端子型铝电解电容器 RWU系列
● RWE系列的高容量化。
●保证寿命85℃ 2,000小时。
●最适合于UPS设备和伺服压力机等重视容量性能的用途。
◆规格表

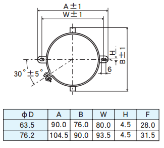
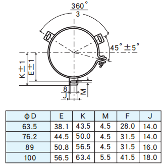
◆尺寸图 (CE331 形)[mm]
●端子代码:LG

φ63.5:G=6
φ76.2、φ89:G=5
φ100 :G=10
●绑带代码:B

●绑带代码:C:标准

<端子螺丝规格>
~φ89 十字六角长螺丝 M5×0.8×10 φ100 十字圆型小螺丝 M8×1.25×16
螺丝拧紧最大容许转距 3.23N·m 弹簧垫圈 平垫圈
螺丝拧紧最大容许转距 6.31N·m
(注1) 端子螺丝及安装绑带分批交货为标准规格。
◆产品型号体系

产品型号代码的详细介绍请参考「产品型号的表示方法 (螺丝端子型)」。
◆标准品一览表


◆额定纹波电流频率修正系数
纹波频率与标准品一览表的规定值相异时,请使用小于乘以下表系数所得之值的值。
●频率修正系数

※ 铝电解电容器由于在纹波电流叠加时自我发热、温度上升而老化,每升温 5 ~ 10℃寿命减少一半。
要想保持长寿命请在使用过程中降低纹波电流。 此外, 额定电压的 80% 以上到额定电压范围内可通过降低电压延长寿命。
上海樱拓贸易有限公司是一家主要从事电子元器件代理销售和技术支持的专业公司,其中是日本NIPPON CHEMI-CON(NCC电容|黑金刚电容)中国区总代理。
相关资讯推荐:
声明:本文由樱拓贸易收集整理关于 黑金刚电容相关的《黑金刚电容螺丝端子型铝电解电容器 RWU系列》,如转载请保留链接:http://www.i89j.cn/news_in/582。