电话:021-62522001
作者:NIPPON CHEMI-CON 发布时间:2020-08-04 15:50:26 访问量:9223 来源:NCC电容
黑金刚电容贴片型导电性高分子混合型铝电解电容器 HXA系列
●通过采用混合型电解质,提升了可靠性,实现了高耐压化。
●保证125℃ 4,000小时。(纹波叠加)
●最适合用于高温?高可靠性用途(例如汽车电子零部件、通信基站电源等)。
●无卤对应品。
●符合AEC-Q200。详情请另行咨询。
◆规格表

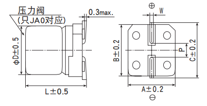
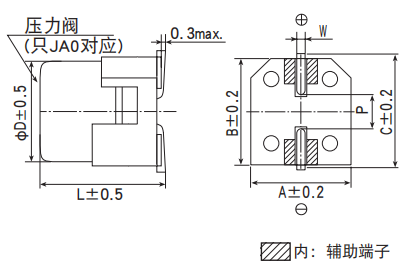
◆尺寸图[mm]
●端子代码 :A
●尺寸代码:HA0~JA0

●端子代码 :G (耐振构造)
●尺寸代码:HA0~JA0(带辅助端子)


◆产品型号体系

产品型号代码的详细介绍请参考「产品型号的表示方法 (导电性高分子混合型)」。
◆标示
标示例 80V22μF

●额定电压的产品标示

◆标准品一览表

□内为端子代码。
◆额定纹波电流频率修正系数
纹波频率与标准品一览表的规定值相异时、请使用小于乘以下表系数所得之值的值。
●频率修正系数
![]()
上海樱拓贸易有限公司是一家主要从事电子元器件代理销售和技术支持的专业公司,其中是日本NIPPON CHEMI-CON(NCC电容|黑金刚电容)中国区总代理。
相关资讯推荐:
声明:本文由樱拓贸易收集整理关于 黑金刚电容相关的《黑金刚电容贴片型导电性高分子混合型铝电解电容器 HXA系列》,如转载请保留链接:http://www.i89j.cn/news_in/583。