2025广州qm论坛xc8866茶楼 ,湖南一品楼qm论坛,修车宝楼凤阁最新论坛官网登录入口,上海419魔都花园凤凰茶楼论坛

在线客服

点击这里给我发消息在线客服1
点击这里给我发消息在线客服2
点击这里给我发消息在线客服3
点击这里给我发消息在线客服4

电话:021-62522001

邮箱:sales@intursh.com

[黑金刚电容]引线型导电性高分子固体铝电解电容器 PSG系列

当前位置:NCC黑金刚电容 > 产品资讯

[黑金刚电容]引线型导电性高分子固体铝电解电容器 PSG系列

作者:NCC电容    发布时间:2020-08-03 11:29:17  访问量:7295  来源:黑金刚电容


黑金刚电容引线型导电性高分子固体铝电解电容器 PSG系列

●采用导电性高分子电解质,实现超低ESR、高纹波电流。

●保证105℃ 15,000~20,000 小时。 

●额定电压范围:16V~35V、静电容量范围:56~2,700μF。

●优良的干扰吸收特性,对应电子设备的数字化、高频化。

●无卤对应品。


◆规格表

[黑金刚电容]引线型导电性高分子固体铝电解电容器 PSG系列

※当产生疑问的时候,用以下电压处理后测定。

电压处理:105℃下,连续加载电压120分钟。加载电压为额定电压。


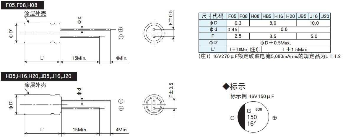
◆尺寸图[mm]

●端子代码:E

[黑金刚电容]引线型导电性高分子固体铝电解电容器 PSG系列

◆产品型号体系

[黑金刚电容]引线型导电性高分子固体铝电解电容器 PSG系列

产品型号代码的详细介绍请参考「产品型号的表示方法 (导电性高分子 )」。


◆标准品一览表

[黑金刚电容]引线型导电性高分子固体铝电解电容器 PSG系列

端子加工·编带代码在□□内。


◆额定纹波电流频率修正系数 

纹波频率与标准品一览表的规定值相异时、请使用小于乘以下表系数所得之值的值。 

●频率修正系数

[黑金刚电容]引线型导电性高分子固体铝电解电容器 PSG系列



相关资讯推荐:

什么是陶瓷电容?陶瓷电容和电解电容区别?

Nippon Chemi-Con铝电解电容新产品列表

简述铝电解电容的发展现状

声明:本文由樱拓贸易收集整理关于 黑金刚电容相关的《[黑金刚电容]引线型导电性高分子固体铝电解电容器 PSG系列》,如转载请保留链接:http://www.i89j.cn/news_in/578。

上一篇:引线型铝电解电容器 KXE系列

下一篇:介绍黑金钢电解电容的特点和用处