电话:021-62522001
作者:NCC电容 发布时间:2020-09-30 22:49:32 访问量:7791 来源:NIPPON CHEMI-CON

● 提升??樯杓谱杂啥?nbsp;
● 模块包小型化、省空间。
● 不受温度范围影像的低阻抗特性。

◆规格表

◆产品一览表
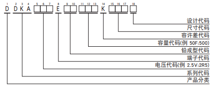
● DKA系列

◆产品型号体系

相关资讯推荐:
NIPPON CHEMI-CON:开发出了螺丝端子型铝电解电容器 RHA 系列
声明:本文由樱拓贸易收集整理关于 黑金刚电容相关的《NCC电容:超级电容器DKA系列》,如转载请保留链接:http://www.i89j.cn/news_in/662。